Changshu Herun Import&Export Co., Ltd.
Changshu Herun Import&Export Co., Ltd.
Produits
Joint de diapragme avec connexion à la bride
  • Joint de diapragme avec connexion à la brideJoint de diapragme avec connexion à la bride
  • Joint de diapragme avec connexion à la brideJoint de diapragme avec connexion à la bride

Joint de diapragme avec connexion à la bride

Model:DS560.27
Découvrez la précision et la fiabilité du joint de diapragmes avec la connexion de la bride - modèle DS560.27, conçu spécifiquement pour la mesure de la pression dans les applications industrielles exigeantes. Ce produit innovant présente un diaphragme affleurant qui offre une protection supérieure à la corrosion des médias et au colmatage, garantissant des lectures précises et fiables même dans des environnements difficiles.

Introduction du joint de diapragmes avec connexion de la bride - Modèle DS560.27: La solution ultime pour la mesure de la pression dans des environnements difficiles

 

Le modèle de diaphragme modèle DS560.27 est équipé d'une connexion de bride qui permet une installation et une intégration faciles dans vos systèmes de processus existants. Sa construction robuste et ses matériaux de haute qualité garantissent des performances et une durabilité durables, ce qui en fait un choix idéal pour un large éventail d'applications industrielles.

 

La conception du diaphragme du rinçage du joint de diapragmes avec la connexion de la bride minimise le risque d'accumulation et de colmatage des supports, fournissant une mesure de pression propre et précise. Cette caractéristique est particulièrement bénéfique dans les applications impliquant des milieux visqueux ou chargés de particules, garantissant que vos mesures de pression ne sont pas compromises par la construction de médias.

 

En tant que fabricant de confiance de sceaux de diaphragme, nous nous engageons à fournir des produits de haute qualité et un service client exceptionnel. Le joint de diapragme avec connexion de bride conçue et fabriquée pour répondre aux normes strictes du secteur industriel, garantissant la fiabilité et la précision de vos besoins de mesure de la pression.

 

Que vous soyez dans l'industrie du pétrole et du gaz, des produits chimiques, de la production d'électricité ou du traitement de l'eau, le sceau de diapragmes avec connexion de la bride - modèle DS560.27 - est votre solution incontournable pour la mesure de la pression dans des environnements difficiles. Contactez-nous dès aujourd'hui pour en savoir plus sur les produits et services chinois CSHERUN.

 

Applications


● Agressif, très visqueux, cristallisant ou médias chauds

● Industrie des processus

● Bâtiment et automatisation des machines

 

Caractéristiques spéciales


● Bride avec diaphragme soudé à chasse d'eau

● Normes et largeurs nominales communes disponible

● grande variété de matériaux différents et combinaisons de matériaux

Exemple d'installation 

Modèle DSS560 avec un manomètre directement monté

Système de joint de diaphragme

Les systèmes de joints de diaphragme sont montés sur des connexions existantes, qui sont soudées à un pipeline, à un réacteur de processus ou à un réservoir. Un diaphragme fait du matériau approprié sépare le milieu de l'instrument de mesure. L'espace interne entre le diaphragme et l'instrument de mesure est complètement rempli d'un fluide de remplissage du système.

Élément de mesure

La pression du milieu est transférée via le diaphragme élastique au fluide de remplissage du système puis sur l'instrument de mesure. Un joint de diaphragme et ses composants sont parfaitement adaptés les uns aux autres pour assurer une mesure fiable.

Type de montage

Le montage du joint de diaphragme aux instruments de mesure peut être effectué via une connexion directe, pour des températures élevées via un élément de refroidissement ou via un capillaire flexible.

Caractéristiques

Version

Joint de diaphragme avec connexion à la bride

Autres versions

■ par NACE MR0175 / ISO 15156, utilisation dans des environnements contenant du H2S dans la production de pétrole et de gaz

■ par NACE MR0103 / ISO 17945, Métaux résistants à la fissuration de la contrainte de sulfure d'hydrogène

■ Avec un atereurs de flamme de déflagration pré-volume pour le montage à la zone 0 (EPL GA)

Plage de pression

La plage de pression maximale dépend de la sélection de la connexion et de l'instrument du processus

Connexion à l'instrument

■ Adaptateur de connexion axiale pour la connexion soudée

■ Adaptateur de connexion approprié à l'instrument (par exemple g ½, g ¼, ½ npt ou ¼ npt)

Type de montage

■ montage direct

■ Capillaire

■ dissipateur de chaleur

Service d'aspirateur

■ Service de base

■ Service avancé

■ Service premium

Autres connexions de processus sur demande

MATÉRIAUX D'APPORTS DES TEMPRATURES SPÉCIAUX SUR LE PROCESSUS SUR COMMENCE.


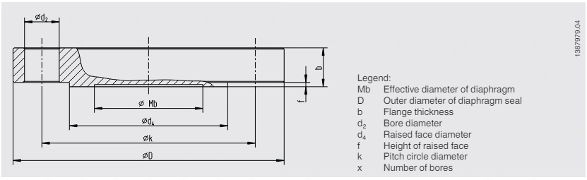
Dimensions en mm [in] 

Connexion sur la bride en ligne avec Din en 1092-1, formulaire B

Dimensions supplémentaires et pressions nominales plus élevées sur demande


Dimensions en mm [in] 

Connexion sur la bride en ligne avec ASME B16.5-2017, RF

Connexion sur la bride en ligne avec GOST 33259, type B

Dimensions supplémentaires et pressions nominales plus élevées sur demande

Connexion sur la bride en ligne avec l'API 6A, rainure à joint annulaire

Dimensions supplémentaires et pressions nominales plus élevées sur demande

Connexion sur la bride en ligne avec JIS B 2220, RF

Dimensions supplémentaires et pressions nominales plus élevées sur demande


Joint de diaphragme:


Modèle de joint de diaphragme / connexion de processus (standard, taille des bride, pression nominale, visage d'étanchéité) / combinaison de matériaux (haut du corps du joint de diaphragme, parties mouillées) / Niveau de propreté des pièces mouillées / origine des pièces / conception mouillées par NACE / Connexion à l'instrument de mesure / certificats / anneau de rinçage


Système de joint de diaphragme:


Modèle de joint de diaphragme / modèle d'instruments de mesure de pression (par fiche technique) / montage (montage direct, élément de refroidissement, capillaire) / combinaison de matériaux (haut du corps du joint de diaphragme, parties mouillées) / min. et max. Température de processus / min. et max. Température ambiante / service de vide / système de remplissage du système Fluide / certificats / différence de hauteur / Niveau de propreté des pièces mouillées / Origine des pièces / conception mouillés par nace / sceau de diaphragme pour le montage à la zone 0 / Instrument Bracket / Connexion de processus standard, standard, pression, pression nominale, visage de scellant) / anneau de flishing


Balises actives: Diapragm Sceau avec connexion sur la bride, devis, prix, fabriqué en Chine
envoyer une demande
Informations de contact
Si vous avez des questions concernant un devis ou une coopération, n'hésitez pas à envoyer un e-mail ou à utiliser le formulaire de demande suivant. Notre représentant commercial vous contactera dans les 24 heures.
X
Nous utilisons des cookies pour vous offrir une meilleure expérience de navigation, analyser le trafic du site et personnaliser le contenu. En utilisant ce site, vous acceptez notre utilisation des cookies. politique de confidentialité
Rejeter Accepter